A boiler blowdown tank (also called a blowoff tank or blowdown vessel) is a safety device used in steam boiler systems. It’s designed to cool and capture water drained during boiler blowdown. In a steam boiler, regular blowdown is essential to remove accumulated impurities (sediment, dissolved solids, and chemical residue) from the boiler water. The blowdown process expels extremely hot, pressurized water. A blowdown tank provides a safe place for this water to flash to steam and cool before discharge. This article explains what a boiler blowdown tank is, how these tanks are designed and selection criteria.
What Is a Boiler Blowdown Tank?
A boiler blowdown tank is a vessel designed to receive hot blowdown water from a boiler and safely manage the pressure and heat. When high-pressure boiler water is released into a lower-pressure tank, a portion of the water instantly flashes into steam. The blowdown tank contains this flashing event by venting the steam safely to atmosphere and holding the remaining hot water. This allows the water to cool to a safer temperature before it goes down the drain. In essence, the tank protects your plumbing from the thermal shock and high temperature of direct boiler blowdown.
How a Blowdown Tank Works: The blowdown tank is connected to the boiler’s blowdown line (or blowoff valve). During a blowdown cycle, hot water and sludge from the boiler rush into the tank through the inlet. Inside the tank, an internal baffle, or wear plate diffuses the incoming water’s energy, reducing erosion and aiding steam separation.
The sudden drop in pressure causes a portion of the water to flash into steam. This steam exits through a vent at the top of the tank, often piped to a safe outdoor location. The rest of the hot water (now depressurized) remains in the tank, where it cools over time. After sufficient cooling, this water is drained out from the bottom of the tank to the facility’s sewer or waste system. Many tanks use an overflow-style drain. As the next blowdown occurs, the previously cooled water is forced out through the drain by the new incoming water. If the tank is properly sized, the discharged water will have cooled below 140 °F (60 °C) by the time it exits. This is a common drainage temperature limit in many codes.
Blowdown Tank vs. Blowdown Separator
Blowdown tanks serve the same basic function as blowdown separators. They both provide a safe means to cool and dispose of blowdown – but they differ in design. A blowdown separator is a compact vessel that uses a baffle (striking plate) to separate steam and water. It usually requires a cold-water aftercooler to mix in cooling water so that the drain water is below 140 °F.
In contrast, a blowdown tank is much larger in volume and relies on natural heat dissipation over time. Therefor it typically does not require direct cooling water injection. The large capacity of a tank lets the hot blowdown sit and cool off before the next blowdown cycle. This passive cooling is the main advantage of blowdown tanks. They simplify the system by eliminating the need for a tempering water line or heat exchanger. They can even allow sediment to settle out, preventing sludge from clogging the sewer line. The trade-off, however, is that blowdown tanks are bulkier and more expensive than separators. They also take up more floor space. Another consideration is that as the stored water cools by releasing heat to the surrounding room, they can make the boiler room uncomfortably hot.
Design of a Boiler Blowdown Tank
A boiler blowdown tank is essentially a robust steel pressure vessel often installed vertically. It has inlet, outlet, and vent connections configured to safely manage blowdown. When high-pressure hot water enters the tank, the design must accommodate the rapid flash of steam and high turbulence. For this reason, blowdown tanks are built to withstand pressure and thermal shock. In fact, most blowdown tanks are constructed according to ASME Boiler & Pressure Vessel Code Section VIII, Division 1 and carry a National Board stamp.
Even though the tank is vented to atmosphere, pressure can build up momentarily during a blowdown event. For example, if the vent size is insufficient or a large volume of water flashes to steam quickly. To be safe, manufacturers typically rate blowdown tanks for a certain pressure to ensure they can handle any transient pressures. Many jurisdictions consider any boiler operating above 15 psig as “high pressure”. This requires a blowdown tank or separator to be installed per plumbing and mechanical codes. In other words, if you have a high-pressure steam boiler, a code-compliant blowdown tank is not optional – it’s mandatory for safety and legal compliance.
Main Components
While designs can vary, most blowdown tanks share common components and features:

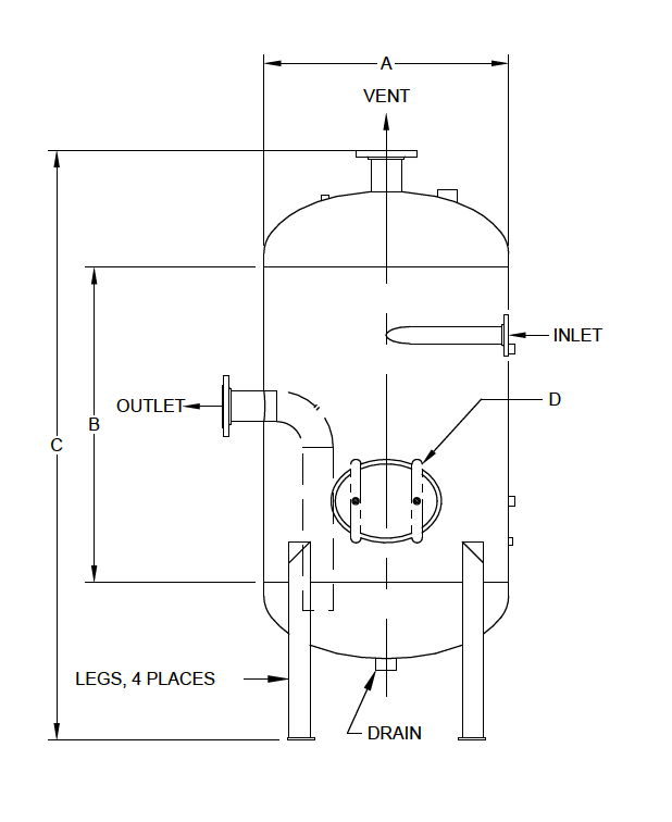
Image of a Rite Blowdown Tank
Inlet Connection: This is the pipe from the boiler blowdown valve into the tank. It’s typically the same size as the blowdown line and enters near the top or side of the tank. Inside, the inlet directs blowdown to a heavy internal wear plate that deflects the incoming water. This protects the tank walls from erosion and helps separate the steam.
Vent Outlet: Located at the top of the tank, the vent releases flash steam to atmosphere. It is usually much larger in diameter than the inlet. For example, a blowdown tank handling a 1” or 1½” blowdown line might have a 4”–6” vent pipe. This large vent area ensures the flashed steam can escape quickly without over-pressurizing the vessel. The vent is routed to a safe discharge point outdoors – typically above the roof. It must be installed as straight and short as possible to minimize back-pressure, and often includes a visible outlet (e.g. vent stack).
Drain Outlet (Overflow): The bottom of the tank has an outlet for the cooled water to drain away. In an overflow design, the drain opening is positioned part way up in the tank. This is so the blowdown water remains in the tank until the next blowdown pushes it out. This ensures adequate cooling time. The drain line is usually directed to an appropriate sewer or disposal point and must be sized for rapid flow. Some systems include a direct drain with a tempering valve (aftercooler) to inject cold water if the tank alone doesn’t cool enough. However, a properly sized tank aims to cool via volume and radiation alone.
Vent Siphon Breaker / Internal Standpipe: Many blowdown tanks include an internal standpipe on the drain (sometimes called a seal or siphon breaker). This creates the overflow effect and also prevents any siphoning of water out of the tank via the drain. Essentially, it maintains a water seal inside so that steam won’t blow directly out the drain. The height of this internal pipe sets the normal water level in the tank.
Support Stands and Mounting: Blowdown tanks are heavy vessels and usually mounted on support legs or saddles. They must be securely anchored. They are not insulated on the exterior – deliberately – because they rely on heat loss to the ambient air to cool the water.
Sizing and Selecting a Blowdown Tank
Selecting the right size and type of blowdown tank for your boiler is crucial for effective operation. An undersized tank could lead to inadequate cooling or even dangerous pressure in the tank. An oversized tank might be unnecessarily expense and take up valuable space. Here are some key considerations for sizing and selecting a blowdown tank:
Boiler Operating Pressure and Capacity
High-pressure boilers produce a higher volume of flash steam for the same amount of water blown down as compared to a low-pressure boiler. This means the vent must be sized larger and the tank volume may need to be bigger to handle the sudden expansion. Additionally, larger boilers hold more water, so a blowdown from a big boiler is a larger volume. Always start by identifying your boiler’s maximum working pressure and water volume. Manufacturers or engineering resources can provide the percentage of flash steam expected at your pressure. This will guide the vent sizing. A general guideline is that the blowdown tank’s design pressure should be at least 25% of the boiler’s pressure.
Blowdown Volume Per Cycle
Determine the typical volume of water you will blow down in one event. For a given boiler, dropping the level a few inches corresponds to a fixed number of gallons of water removed. Many suppliers advise a margin of safety be applied in addition to this number. For example, one source suggests a blowdown vessel should be about three times the volume of water removed in a single blowdown. This ensures the tank is never completely filled and has extra capacity for cooling.
Blowdown Frequency
Consider how often blowdown events occur. If your boiler requires very frequent blowdowns, the tank may not have ample time to cool the water between events. In such cases, a larger tank (or an auxiliary cooling system) may be needed to keep up.
Vent Size and Drain Size
These are as important as the tank volume. The vent must be sized to pass all flash steam without the tank pressure rising too high. Manufacturers often provide charts or selections based on boiler blowdown valve size and boiler pressure. Typically, vent diameters of 4, 6, 8 inches are common, with larger boilers even requiring 10-inch vents.
Space and Orientation Constraints
Blowdown tanks are most often vertical cylindrical tanks, but they can also be horizontal if height is a limitation. Before finalizing selection, consider where the tank will be installed relative to the boiler. You’ll need room above for the vent pipe and possibly clearance to a ceiling/roof penetration. The tank should be as close as practical to the boiler blowdown outlet to minimize piping.
Quick Sizing Guide
To aid in selection, the table below summarizes some key selection factors and their implications:
– Boiler Pressure – Higher pressure = more flash steam. Ensure vent is sized for flash volume and tank is code-rated for pressure.
– Blowdown Volume – Tank volume ≥ one full blowdown. Often size for 1× to 3× the expected blowdown water volume. Larger volumes need larger tanks.
– Blowdown Frequency – Frequent or closely spaced blowdowns require bigger tanks to allow cooling. Infrequent blowdowns allow smaller tanks since water cools over many hours.
– Blowdown Valve Size – Inlet pipe size dictates vent and drain sizing. Match tank inlet to blowdown line size, and use manufacturer charts for vent/drain diameters.
– Available Space – Vertical tanks need overhead clearance for vent. If space is tight, consider horizontal designs or separators with aftercoolers (smaller footprint).
– Code Requirements – Ensure tank is ASME Section VIII stamped and meets local code (UPC/UMC) capacity rules. Design pressure commonly ~125 psig for standard tanks to handle flash.
– Heat Recovery – Optionally, consider blowdown heat recovery systems if you want to recapture energy. These can be added to the blowdown line or the tank’s vent to improve efficiency.
Conclusion
A boiler blowdown tank keeps hot blowdown water contained and prevents damage or injury. Pick a tank that matches your boiler’s pressure and output, and be sure it meets ASME code. Also ensure it has adequate venting, and cools water below 140 °F.
Follow recommended operating and maintenance steps to protect both people and equipment. If you have any questions—whether about sizing, installation, or compliance—reach out to us. We install commercial and industrial boiler systems for facilities throughout the Midwest and Colorado, serving cities such as Denver, Castle Rock, Boulder, Golden, Westminster, Centennial, Littleton, Omaha, Lincoln, Council Bluffs, Des Moines, Ames, Creston, Storm Lake, Sioux Center, North Platte, Grand Island, Fremont, Hastings, Kearney, Sioux Falls, Rapid City, Vermillion, Brookings, and Yankton.


